认识锂离子电池制造烘烤设备

一、发展历程

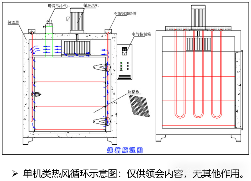
锂电池烘烤设备的发展紧密围绕方形动力电池的工艺需求,经历了三个关键阶段:传统热风循环阶段(2000-2010 年)、接触式加热技术突破(2010-2020 年)、智能化与工艺前置阶段(2020 年至今)。

此外,烘烤设备的结构设计也在不断优化。研究表明,圆形烘烤箱相比传统方形设计,更利于电芯在烘烤过程中的排水及防氧化。通过应用Fluent等仿真软件分析烘烤罐内气流场,可以优化氮气进口流速(例如研究发现在8m/s的初始流速下,烘烤耗时35分钟,且各个电芯不同截面的风速均匀性在93%以上),从而提升烘烤一致性。

实体设备样式很多,此图仅供参考

冷却段循环示意图

二、工艺特性(以方形动力电池为例)

方形动力电池生产中的烘烤设备对电池品质至关重要,主要用于去除电芯内水分,防止电池鼓胀、性能下降和安全风险。    

通过真空(<-97kPa),降低水的沸点,通过高温将极片水份蒸发,持续的抽真空环境能将烘烤产生的水蒸气及时抽走,已达到降低整个环境水含量,降低极片水含量。作用是降低电芯(正极极片、负极极片)内的水含量。工艺监控温度与真空度,产品要点水含量。

三、构造与功能解析

3.1核心部件

四、功能实现

均匀性保障:加热板表面粗糙度Ra≤0.8μm,接触压力0.1-0.3MPa,确保热传导效率。
安全防护:腔体采用双层不锈钢结构(厚度≥3mm),配备超温报警(阈值±5℃)、真空泄漏检测(氦质谱仪精度1×10⁻⁹Pa・m³/s)和防火阀自动切断气源。
维护便捷性:模块化设计支持加热板快速更换(单块更换时间<30 分钟),真空泵油位可视化窗口和自动补液装置减少维护频次。

五、异常维护点与解决方法

六、维护保养规范

  1. 6.1、日常维护
    • 清洁加热板表面金属粉尘(建议每批次后用软毛刷清理),避免影响热传导效率。
    • 检查真空泵油位(应在刻度线 1/2-2/3 处),观察油质颜色(正常为透明淡黄色)。
  2. 6.2、定期维护
  • 月度:更换空气过滤器滤芯(过滤精度≥5μm),检查链条张紧度(下垂量≤20mm)。
  • 季度:校准温度传感器(偏差>±0.5℃时更换),测试真空泄漏率(应<0.05Pa・m³/s)。
  • 年度:全面检查加热板发热膜电阻(偏差>10% 时整体更换),对腔体进行气密性测试(保压 1 小时压力下降<0.1kPa).检查机械手锁紧/润滑视情况调整
  1. 6.3、关键部件寿命管理
  • 真空泵油:每2000小时或颜色变黑时更换。
  • 硅橡胶密封圈:每 1-2 年更换(高温环境下需缩短周期)。
  • 柔性发热膜:使用寿命约 5000 小时(功率衰减>15% 时需更换)。